欧利旺-传感器-首页
网站首页
水流量传感器
水流开关
企业新闻
液位开关
接近开关
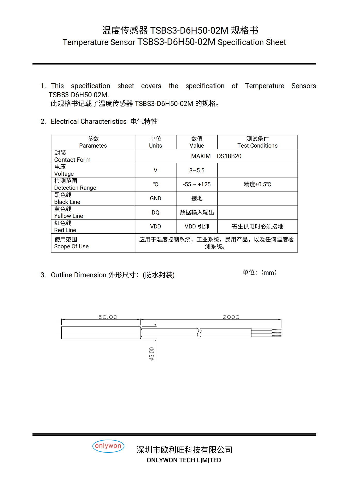
温度传感器
温度传感器
你的位置
网站首页
产品展示
温度传感器
欧利旺温度传感器不锈钢 美容仪器高精度 5年质保
欧利旺 水流量传感器 带温度高精度流量计 FSH1-DT1-800
欧利旺传感器 水流感应开关 接近开关PS11-BL1-300
详细信息
规格参数
包装
关联内容
{"status":1,"html":"